URL
Assignee
icon
password
前言:以下是本人在考试前一天晚上补天的时候顺手总结出来的笔记,主要是面向正在补天的希望速通的同学,当然,平时看这个也可以,这样学得会有重点些,毕竟这个笔记是面向考试题型总结的。
几点要说明的:
- 自2024年夏学期,“机械制图及CAD基础”课程进行了改革,不知道会不会改期末考试的题型,所以请谨慎使用本笔记。任何问题本人概不负责。
- Q:byd为什么不在春学期考试之前发? A:因为我在考试前一天晚上才把这个笔记做好,这时候发了也来不及看了。另外,我对这个笔记并没有自信,怕误人子弟,所以是等出分之后才发的。
- 推荐选cj老师的课,cj老师给分很好,平时会布置很多附加题让你刷平时分,不过课改之后不知道会是怎么样的。
- 如果您打开您的选课系统发现您的老师叫zyg,请立即退课,且不要向任何人提及这件事。
- 如果您在看到第4条时已经过了退课时间,很遗憾,由于本课程并非长学期课程,所以你没有汽修的机会。你现在的目标是在能挂接近一半人的zyg手中活下去。
- 如果您是大佬,请忽略4和5。
- 请不要把zyg和“剧毒术士”一词同时提及,请谨记:zyg不是剧毒术士。如果您不幸触犯了禁忌,请不要在午夜回头。
- 4-7条只是一个校园怪谈,请不要当真,不代表本人观点立场。
面向考试的机械制图与CAD基础速通攻略
written by HJY
按题型进行分类
以下解析以《图学应用教程》模拟试卷二及18年试卷为例(与考试题型一致)
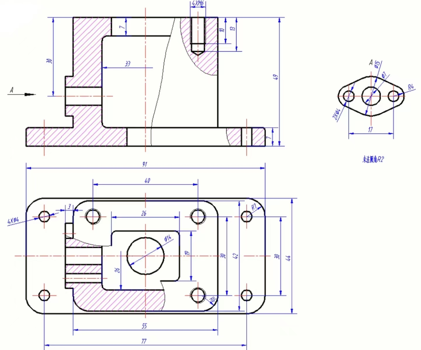
1. 标注尺寸(20分,大概30个尺寸左右)


需要注意的点:
- 未注圆角、倒角 文字描述
- 螺纹标注从大径引出
- 孔深
- 局部剖标注如图中尺寸33和26所示
- 半径不可标注个数 3×R5 ×
- 截切结构应标出截面的定位尺寸而不是截切产生的线的长度,如下图所示

- EQS:表示均匀分布 能省很多事 特殊注法:



- 几何公差




2. 改错




补充:
- 同个零件阴影方向要一致
- 螺钉顶端120°
总结:
螺钉螺孔销:
- 内外螺纹
- 线型、粗细
- 沉孔
- 无接触面投影线
- 螺钉顶端120°
- 销的外沿与孔壁重合
- 销要打通孔
- 俯视图 螺纹画法 注意3/4小径
轴相关:
- 遇密封圈、轴盖要打通孔、通槽
- 遇紧定螺钉、键、销等要局部剖
- 外螺纹
- 弹簧垫圈方向 \\
- 轴与滚动轴承的配合
- 局部剖面线与原题一致
其他:
- 齿轮 两齿轮配合 3条实线
- 同个零件阴影方向要一致
- 线型、粗细 注意熟练掌握标准件的画法(以下内容选自savia的讲义):




3. 读零件图
- 画剖视图


- 标出长宽高三个方向的尺寸标注基准

- 各尺寸含义
- 表面粗糙度

4. 读装配图
- 画零件图并标注有公差带代号的尺寸与螺纹代号 注意的点:


- 如何快速确定某块图形是否在所要求画的零件上?看剖面线是否与目标零件一致
- 注尺寸注意区分目标尺寸 如原图H8/h7 拆画后改为H8 因为h7为轴的尺寸所以不用注
其他:3、4题随机掉落的题型(不过春学期考试没有这些乱七八糟的...不知道以后还会不会有)
- 读标题栏
- CAD操作
(4分)应用AutoCAD绘制该零件时,您认为需要设置哪些图层?这样设置的目的和好处有哪些? 答案参考:根据图素属性不同而分别设置轮廓线层、点画线层、虚线层、尺寸层、文字层、符号层、剖面线层等,分别在各层上绘制轮廓线、点画线、虚线、尺寸、文字、符号、剖面线等。好处是方便图形属性修改,方便图形的管理。
- 配合:过盈配合、过渡配合、间隙配合


- 定位
- 标准件在部件中的作用

- 视图表达原则、零件图主视图选择需考虑的因素等概念
- 视图表达方法
视图表达原则有结构功能原则、实形性原则、合理位置和形状特征原则、确定性原则、合理性原则、简明性原则、连续封闭原则、视图尺寸协调原则;零件图主视图选择需考虑的因素有:加工位置、工作位置、形状特征、结构功能等。左视和主视图均采用了局部剖视的表达方法。
视图(基本视图、向视图、局部视图、斜视图)
剖视图(全剖、半剖、局部剖)
断面图(移出、重合)
局部放大图
简化画法(肋板纵向剖切按不剖画等)
- 作者:嘎嘎sama
- 链接:https://gagasama.vercel.app//%E8%AF%BE%E7%A8%8B/MechanicalDrawing
- 声明:本文采用 CC BY-NC-SA 4.0 许可协议,转载请注明出处。









